100V-APDLシリーズ (廃番予定)

照射330°
IP65防水
二年保証
位相調光
Thumbnail of
Thumbnail of
Thumbnail of

・調光可
・片側通電で簡単施工
・電源不要 100Vダイレクト
・内照式看板向け
※メイン照明としては利用できません

資料ダウンロード

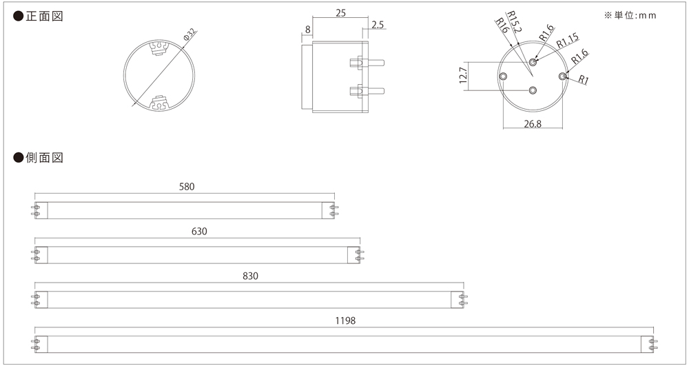
詳細スペック